發布時間:
2022-01-15 20:04:09
瀏覽次數:
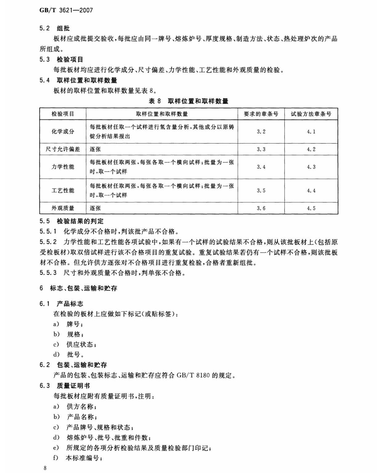
《鈦及鈦合金板材 GB/T 3621-2007》國家標準,規定TC4、TA15、TA9等鈦合金板的要求 、試驗方法 、檢驗規則 及標志、包裝 、運輸 、貯存及合同內容等 。本標準適用于各種用途的鈦及鈦合金板材。新增近11個新的焊接牌號、產品尺寸允許偏差、力學性能、工藝性能等。利泰金屬將該標準的詳細規范,整理如下:











相關鏈接
- 2022-04-01 批量定制TA15鈦板 國軍標BT20鈦合金板
- 2022-03-27 航空用TA15鈦合金板棒材深孔鉆削試驗研究
- 2022-03-23 利泰金屬熱銷TC4鈦板 TC4鈦合金棒 支持來圖來樣定制
- 2022-03-22 航空用TC4/TA15鈦合金板超塑性成形數控漸進成形等先進成形工藝及工業應用
- 2022-02-18 源頭廠家供應TC4鈦板 鈦合金板 支持零切
- 2022-02-08 定制航空航天工程用TC4鈦板 鈦合金板
- 2022-01-24 利泰金屬定制航空航天用高硬度耐蝕性TC4鈦板 TA15鈦板
- 2021-12-24 TA15鈦板生產廠家談鈦及鈦合金焊接工藝與特性
- 2021-11-23 醫療器械用TC4鈦板鈦棒的研發生產應用全解析
- 2021-11-03 熱處理工藝對TC4鈦板鈦棒鈦鍛件等鈦合金材料組織及性能的影響

