發布時間:
2019-08-27 22:28:16
瀏覽次數:
下列文件中的條款通過本標準的引用而成為本標準的條款。凡是注日期的引用文件,其隨后所有的修改單(不包括勘誤的內容)或修訂版均不適用于本標準,然而,鼓勵根據本標準達成協議的各方研究是否可使用這些文件的最新版本。 凡是不注日期的引用文件,其最新版本適用于本標準。
STM B 348 鈦及鈦合金棒和毛坯規范
ASTM E 8 金屬材料拉伸試驗方法
ASTM E 29 使用測量數據的有效數字以確定與規范符合性的標準程序
ASTM E 120 鈦及鈦合金化學分析試驗方法
ASTM E 1409 用惰性氣體溶解技術測定鈦及鈦合金中氧和氮含量的試驗方法
ASTM E 1447 用惰性氣體溶解熱導/紅外檢測法測定鈦及鈦合金中氫含量的試驗方法
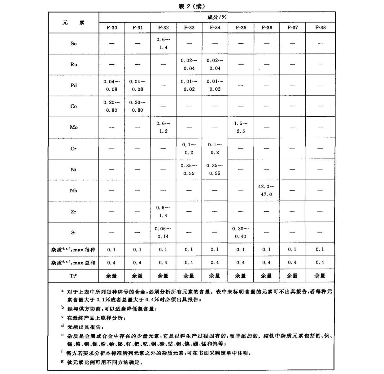
鈦及鈦合金鍛件標準 GB/T 25137-2010的詳細規范,利泰金屬分享如下:
















相關鏈接
- 2021-12-27 航空用鈦合金鍛件的新工藝方法
- 2021-12-21 鎳鈦絲鈦合金板在口腔正畸臨床中的應用
- 2021-12-19 航空用TC11鈦合金棒組織均勻性控制方法
- 2021-12-18 半球形TC4鈦合金鍛件存在的缺陷與生產工藝改進方法
- 2021-12-09 退火溫度對GR9鈦合金棒材組織及性能的影響
- 2021-11-30 大型航空用鈦合金鍛件材料及成形技術應用現狀
- 2021-10-24 鈦合金葉輪鈦鍛件等鈦合金材料的機械加工工藝
- 2021-10-06 鈦及鈦合金熱處理標準現狀及發展趨勢
- 2021-09-27 TC4鈦合金棒材成分偏析組織的分析與判定
- 2021-09-18 海洋工程用超大規格Ti80鈦合金鍛件鍛坯化學成分與力學性能


